

STANDARD OR SPECIAL CONNECTORS –
SPECIFICALLY ADAPTED TO YOUR APPLICATION
ATEQ has a mechanical design office for the design and building of standard or special connectors specifically adapted to an application. ATEQ’s connectors solve almost any connecting problem and they are easy to use, reliable, and operator safety.
CONNECTORS : FEATURES
Standard connectors :
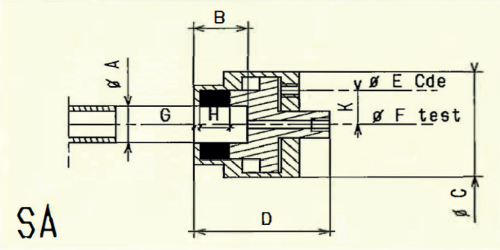
• Presently the SAG and SIG connectors for threaded and tapped ends are available in: 1/2” – 3/4” – 1” – 1 1/4” – 1 1/2” – 2” – BSP.
• The standard connectors of ATEQ called as auto-couplers with expansible seals, which help in precise and reliable assembly of leak testing and flow measurement.
• They are controlled with the help of the pneumatic valve supplied with compressed air, thus simplifying the operator work. Many connectors can be piloted by a same command either by an ATEQ equipment or by any software.
• The connectors adapt easily to any sort of nozzles or orifice, even with the large tolerances. They also assure leak tightness of the unmachiried partition.
• They also assure leak tightness of the unmachiried partition.
• In standard, they are made of anodised or unoxidable aluminium as required. Various types of seals are available according to various elasticity. In options, they can be with manual piloting on the body SAM/SIM.



Functionning :
• The connectors is positioned manually or automatically with a cylinder. The compressed air is then put in the orifice with the help of a 3 track valve and the pressure pushes the piston which runs over the seal.
• The leak tightness is then perfect and there is no leak on the connection. For a better functionning of the device, the connector need a certain amount of precautions to be taken :
– The connector should not compress the test part during the test
– The connector should not be distorted during the test
– The metal to metal contact of the connectors eliminates the instable equilibrium between the action of the cylinder with the network pressure and the reaction of the compressible seal
Special connectors :
• On specific requirement, ATEQ developes and fabricates special connectors. These are always made taking into consideration the points related to :
– Double handle for a rigid pipes of the brakes
– Triple handle for the fuel circuit and high pressure
– Double handle for stamping on the heat exchanger
– The quality in general and measurement in particular
– With respect to the problems of reliability, servicing and maintenance
– Environment of the operator (ergonomic, training)

CONNECTORS : FACTSHEETS
Detailed information about the Connectors software including features, specifications, etc.
